【省级政策】《江西省制造业数字化综合发展水平评价指标体系(2023年版)》印发

来源:市发展和改革委员会 访问量: 发布日期:2023-07-20 09:12:00

江西省制造业数字化综合发展水平评价指标体系

(2023年版)


为深入贯彻党的二十大提出的促进数字经济与实体经济深度融合、推动数字化转型的决策部署,落实《“十四五”两化深度融合发展规划》关于推进两化融合度评价的工作任务,深入推进我省制造业数字化,探索中国特色数字化转型“江西方案”,我省构建了制造业数字化综合发展水平评价指标体系(简称“评价体系”),在全省开展制造业数字化综合发展评价普查。评价体系依据《企业信息化和工业化融合度评价要求》(T/CESA1174-2021)、《工业企业信息化和工业化融合评估规范》(GB/T23020-2013)、《工业互联网平台企业应用水平与绩效评价》(GB/T41870-2022)标准规范及《中小企业数字化水平评测指标(2022年版)》等成熟体系编制,并经过样本企业试点、区域试点、行业试点三个阶段验证,对指标体系进行了优化和完善。为更好从微观和宏观角度跟踪数字化转型态势,结合评价指标体系采集项内容构建了面向企业和面向区域的监测指标,同时对指标体系评价维度等级特征进行了定义,充分考虑与已有指标体系评价等级划分衔接性和江西实际情况,形成了“三阶十级”的江西省制造业数字化综合发展水平等级,并给出了每个等级向下一个等级跃升的提升路径。

一、评价指标体系框架

江西省制造业数字化综合发展水平评价指标体系融合了企业两化融合度评价、两化融合系列评估规范、工业互联网平台应用水平评价、中小企业数字化转型评测等指标,结合江西省产业特色,重点围绕企业生产管理的关键环节和主要过程,分技术、管理、生产、产品、服务和效益6个维度,由35个指标组成。


图1江西省制造业数字化综合发展水平评价指标体系框架

二、评价指标体系构成

(一)技术维度

主要是评价企业应用典型新技术实现数字化转型升级的水平。主要围绕信息技术、工业技术、通信技术、信息安全、网络安全、边云协同、工业应用程序(工业APP)和大数据挖掘等技术应用与创新重点领域进行评价。

1.信息技术

信息技术重点评价企业应用计算机技术、传感技术、大数据、云计算、人工智能、区块链、工业软件、信息系统等新一代信息技术的情况。

2.工业技术

工业技术重点评价企业应用工业控制技术、工业机器人技术、工艺设计技术、智能检测技术、连续化生产技术、品质控制技术的情况。

3.通信技术

通信技术重点评价企业应用互联网通信、通讯软件、标识解析技术、大规模天线阵列技术、全频谱接入新一代通信技术的情况。

4.信息安全

信息安全重点评价企业信息安全系统构建、数据备份、专业的信息安全产品及服务使用、信息安全跟踪评估、信息安全态势感知的情况。

5.网络安全

网络安全重点评价企业使用工业级网络安全产品及服务,建立网络安全保障制度,开展网络安全等级自评估,应用网络安全防火墙、工业网闸、主机安全防护设备的情况。

6.边云协同

边云协同重点评价企业生产现场部署的边缘端信息处理、现场设备自适应控制、数据边云协同、工业机理模型边云协同、工业应用边云协同的情况。

7.工业APP

工业APP重点评价企业应用研发设计、生产制造、运维服务和经营管理类工业APP的数量与时长、工业APP封装及应用范围、应用场景、工业APP来源、工业APP创新的情况。

8.大数据挖掘

大数据挖掘重点评价企业实现数据云端分类分级存储、数据开放共享及创新应用、大数据挖掘工具搭建及应用、工业知识沉淀复用的情况。

(二)管理维度

主要是评价企业在组织形式、管理模式等方面实现数字化转型升级的水平。主要围绕组织管理、综合管理、决策与战略管理、供应链管理、数据资源管理、项目管理和业务集成管理等方面进行评价。

1.组织管理

组织管理重点评价企业组织管理模式、组织分工、组织设置情况。

2.综合管理

综合管理重点评价企业开展人财物等资源配置、信息化管理领导力、数字化人才梯队建设、人才培养体系建设、人员绩效考核、内部日常办公管理、业务流程优化、对外合作网络化协同、预算编制、财务核算、成本控制的情况。

3.决策与战略管理

决策与战略管理重点评价企业开展企业战略规划管理、动态调整与实时管控,实行风险识别、实时监控、精准防范的情况。

4.供应链管理

供应链管理重点评价企业供应链全流程管控、供应链需求分析与预测、供应链生态构建的情况。

5.数据资源管理

数据资源管理重点评价企业开展数据采集、数据规范管理、数据集成共享、数据模型构建、数据可视化分析、数据应用、数据安全管理、数据开放共享的情况。

6.项目管理

项目管理重点评价企业应用信息系统,开展项目规划与立项、项目计划与预算管理、项目执行与控制、项目验收及运维、项目阶段及审计、项目效益及影响评估的情况。

7.业务集成管理

业务集成管理重点评价企业实现管理与控制集成、产供销集成、财务与业务集成与供应链上下游企业协同的情况。

(三)生产维度

主要是评价企业在设计方式、生产方式、节能环保等方面实现数字化转型升级的水平。主要围绕研发设计、生产计划、生产过程、生产设备、安全生产、能源与环保、个性化定制、智能化制造、网络化协同等方面进行评价。

1.研发设计

研发设计重点评价企业开展数字化产品模型或原理样机设计、工艺管理、产品性能与功能的数字化验证以及产品仿真验证方式的情况。

2.生产计划

生产计划重点评价企业运用制造执行系统(MES)、高级计划与排程(APS)等相关软件系统自动生成生产计划、开展智能化调度任务应用、实现生产业务内容及管理精度的情况。

3.生产过程

生产过程重点评价企业关键工序数字化控制、生产过程数据监控、生产作业协同与现场物流管理的情况。

4.生产设备

生产设备重点评价企业应用机械化设备、自动化生产设备、数字化生产设备、联网的数字化生产设备、实现上云的工业设备、智能化生产设备的情况。

5.安全生产

安全生产重点评价企业安全生产信息化管理的业务范围和业务内容、安全管理信息技术手段建设水平、安全生产应急响应及重大危险源预测预警的情况。

6.能源与环保

能源与环保重点评价企业建立基本的能源环保管理制度、应用信息化手段开展能源管理和环保监测信息化管理的应用范围和内容、能源管理和环保监测信息技术手段建设、环保监测数据报警与考核信息化的情况。

7.个性化定制

个性化定制重点评价企业基于工业互联网平台构建客户画像,精准获取客户个性化需求,开展模块化、个性化设计,组织柔性生产、敏捷配送,实现订单的客户全流程参与等方面的情况。

8.智能化制造

智能化制造重点评价企业部署应用智能化制造基础设施,开展基于数字孪生的设计制造一体化、智能化制造排程与实时调度、生产过程自适应控制、工艺智能优化、质量在线智能检测的情况。

9.网络化协同

网络化协同重点评价企业开展网络化协同设计、网络化协同生产、整合上下游企业研产供销资源实现产业链协同一体化运作的情况。

(四)产品维度

主要是评价企业在产品机能、产品质量和产品创新等方面实现数字化转型升级的水平。主要围绕产品功能、产品性能、产品质量管理和产品协同创新等方面进行评价。

1.产品功能

产品功能重点评价企业产品具备的传感、控制和人机智能协作等功能的情况。

2.产品性能

产品性能重点评价企业产品技术参数、可靠性、稳定性、合规程度、标准化程度、数字化程度、智能化程度作出量化要求的情况。

3.产品质量管理

产品质量管理重点评价企业基于质量信息系统与数字化检验设备,开展产品生产全过程质量数据自动采集、在线检测、问题自动预警、质量闭环优化和产品质量追溯的情况。

4.产品协同创新

产品协同创新重点评价企业统一数字化产品定义在各阶段应用和关联维护,开展产品全生命周期状态信息跟踪与反馈、网络化产品协同设计与制造、产品服务延伸与远程管控的情况。

(五)服务维度

主要是评价企业在服务内容、服务满意度、服务增值等方面实现数字化转型升级的水平。主要围绕服务方式、服务价值、服务质量和服务化延伸等方面进行评价。

1.服务方式

服务方式重点评价企业线上线下协同构建客户服务体系、应用新一代信息技术收集和分析客户服务信息、建设售后服务部门、配备专业化服务人员进行产品服务的情况。

2.服务价值

服务价值重点评价企业快速响应客户需求、提供产品运维或升级等增值服务、开展服务定制化供给、提升产业链附加值、客户获得价值的情况。

3.服务质量

服务质量重点评价企业服务质量等级、顾客满意度水平、客户需求预测与实时响应、构建服务生态等各项指标的情况。

4.服务化延伸

服务化延伸重点评价企业基于工业互联网平台,开展产品增值服务、制造能力在线交易、产融合作服务、开放创业创新资源等方面的情况。

(六)效益维度

主要是评价企业通过数字化转型直接或间接带来的业务效率提升、降本增效、社会贡献等方面的改进情况。主要围绕竞争力、经济效益和社会效益等进行评价。

1.竞争力

竞争力重点评价通过数字化转型直接或间接带来的产品质量升级、业务效率改善、财务优化、创新能力增强、客户满意度提升等综合竞争能力变化的情况。

2.经济效益

经济效益重点评价通过数字化转型直接或间接带来的设备运维成本降低、运营成本下降、全员劳动生产率提升、利润率增长等经济效益水平变化的情况。

3.社会效益

社会效益重点评价通过数字化转型直接或间接带来的万元产值能耗降低、社会贡献率提升等社会效益水平变化的情况。

三、江西省制造业数字化综合发展水平关键监测指标

结合国家数字化转型关键监测指标及我省数字化转型现状,形成了江西省企业数字化发展水平关键监测指标和江西省制造业数字化综合发展水平关键监测指标,并给出了监测指标与评价指标的对应关系。江西省企业数字化发展水平关键监测指标主要是监测企业个体在一定时期内的相关数据;江西省制造业数字化综合发展水平关键监测指标主要是监测各级行政区域、不同行业、不同规模企业在一定时期内的相关数据均值或按照具体指标算法确定的综合测算结果。









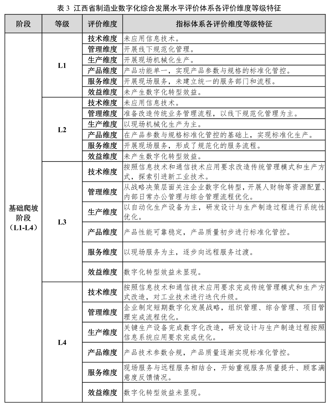
四、评价维度等级特征

评价体系结果呈现为L1至L10十个等级。围绕10个等级,分别描述评价体系6个评价维度的主要特征,具体如下:





江西省制造业数字化综合发展水平等级及提升路径

江西省制造业数字化综合发展水平等级以评价指标体系为理论依据,是在对200余项采集项的评价结果进行整体性分析的基础上,形成的能够全面表征企业数字化转型不同阶段的整体性评价分级,并给出提升路径。江西省制造业数字化综合发展水平等级分为“三阶十级”,包括基础爬坡阶段、集成提升阶段以及创新领航阶段三个阶段,分别对应L1至L10十个等级。


图2江西省制造业数字化综合发展水平阶段



一、基础爬坡阶段

基础爬坡阶段对应L1-L4级,企业数字化转型起步发展,企业数字化转型从规划到实践,数字化转型尚未全面实质性开展。

L1级:企业工业化水平尚未达到与信息技术融合的门槛,在数字化转型资金、人才、技术等方面没有准备,短期内没有数字化转型发展计划,无法开展数字化转型实践。

提升路径:优先提升企业工业化水平,从引导企业管理层认识数字化转型基础建设的重要性、必要性入手,将数字化转型发展纳入企业发展规划。

L2级:企业在数字化转型资金、人才、技术等方面没有相关基础,有数字化转型发展计划,但未开数字化转型实践。

提升路径:梳理企业生产运营的关键业务环节,明确影响效率提升的业务痛点和堵点,找准业务活动与信息技术的结合点,针对性开展数字化转型资金投入、组织和规划、设备设施、信息资源和信息安全等基础构建。

L3级:企业初步具备数字化转型基础,开始在数字化转型资金投入、组织和规划、设备设施、信息资源和信息安全等方面进行基础构建。

提升路径:聚焦单一业务线条的数字化转型发展需求,通过资金预算调整、专业人才聘请、设备设施改造、网络优化升级等方法完善数字化转型基础,探索将信息技术导入到传统生产经营实践中。

L4级:企业数字化转型基础基本完善,已实质投入数字化转型资金、组织和规划、设备设施、信息资源和信息安全等基础设施和基本条件的起步建设。

提升路径:企业选择对信息技术要求较迫切的部门或者风险较小的单一业务线条为切入点,引入信息化系统进行初步应用,进一步优化设备、网络等基础条件,为将来接入工业互联网平台做好准备。

二、集成提升阶段

集成提升阶段对应L5-L7级,是企业数字化转型快速发展阶段,信息化生产成为企业核心生产手段,数字化转型从单项覆盖向集成提升的转变,工业互联网平台应用效益显现,数字化转型实践取得明显成效。

L5级:信息技术在企业某个部门的一类业务环境中开始应用,同时工业互联网平台应用进入起步阶段,设备基础、网络基础、数据基础等开始构建,但是平台应用的经济效益并未显现。

提升路径:推动信息系统在部门内有效推广应用,实现信息系统在单个业务线条的全部贯通和覆盖,并逐步在其他相关业务环节部署和应用信息化系统,持续优化车间联网、设备改造、数据采集等基础条件,探索自建或应用外部的工业互联网平台,将业务和设备数据采集汇总至信息系统或工业互联网平台云端。

L6级:信息技术在企业的部分部门内单个业务环境中实现有效应用,同时逐步夯实工业互联网平台应用网络、设备和数据等基础条件,将设备数据和业务数据进行采集汇总,并上传至工业互联网平台云端,企业生产运营成本降低。

提升路径:企业需要深化不同业务环节信息系统的应用程度,统一好数据管理规范和网络接口协议,打通关键核心部门业务系统数据,同时进一步完善企业工业互联网平台应用战略规划、组织安排等基础,基于工业互联网平台的有效应用,汇总不同信息系统的数据,聚焦效能效益提升,开展跨系统、跨部门集成开发和业务优化,推动关键设备和核心业务上云上平台,从外部引入工业APP配套使用。

L7级:企业有效应用信息技术,生产效率大幅度提升,开始向跨部门、跨业务环节的业务综合集成发展,企业进行了较为完善的工业互联网平台应用战略制定与组织安排,平台应用基础条件基本完善,关键设备和核心业务实现上云,企业开始应用工业APP,提质降本增效成效显著。

提升路径:统一数据接口,优化业务流程,打通企业内部全部数据链,面向企业内部各业务线条开展跨部门、跨系统的数据互通和集成开发,推动设备基本完成数字化改造,将设备数据和业务数据统一至工业互联网平台,深化工业APP在不同业务场景中的应用,并结合企业自身特色化发展需求,探索对基于工业互联网平台的业务模式进行自主优化和创新,形成行业领域内较先进的业务模式。

三、创新领航阶段

创新领航阶段对应L8-L10级,是企业数字化发展全面赶超阶段,企业数字化转型从集成提升向创新突破转变,企业的资源协调能力突破单独企业边界,形成具备企业特色的融合发展新型模式。

L8级:企业完成数字化环境下跨部门、跨业务环节的业务综合和业务集成,设备上云和业务上云基本完成,有效应用工业APP,并探索开展基于工业互联网平台的业务模式创新,企业竞争力大幅提升。

提升路径:探索与外部资源充分对接的渠道和方法,牵头与产业链上下游企业开展协同创新,设备和业务全部完成数字化改造和升级,建立数字工厂,同时结合自身业务发展和竞争力提升的需求,广泛开展基于工业互联网平台的平台化设计、数字化管理、网络化协同、智能化制造、个性化定制、服务化延伸等模式创新,完善扩充数据库,将企业先进经验和数据模块化封装处理,开展基于工业互联网平台的工业APP开发与应用。

L9级:企业的数字化转型建设从企业内向企业外拓展,依托工业互联网平台进行跨企业的业务协作,企业全面实现设备上云和业务上云,能够基于自身需求进行APP自主创新和工业知识沉淀复用,广泛开展基于工业互联网平台的发展模式创新,企业的竞争力、经济社会效益显著。

提升路径:企业全面推广并有效应用人工智能、区块链、大数据等新一代信息技术,企业各环节、全流程实现智能化管理,依托工业互联网平台的深度应用和自主创新,打造以本企业为核心的数字化产业链生态,汇集全产业链资源进行技术突破、模式创新,推动先进模式和自创APP在产业链的大范围推广,有效提升企业的竞争力和行业影响力。

L10级:企业有效应用了新一代信息技术,实现了企业生产运营过程的智能化管理,形成了大规模、个性化的生产方式,基于工业互联网平台完成跨企业的业务协作,平台应用创新模式和新型工业APP在产业链实现大范围推广,企业通过云端与外部资源实现全面接轨,建成数字化产业链生态,持续延伸服务模式,全产业竞争力与社会影响力显著提升。

提升路径:对标“数字领航”企业和“灯塔”工厂,新技术、新模式引领行业发展,企业拥有强大的竞争力和行业影响力。

来源:江西省工业和信息化厅

相关文章

扫一扫在手机打开当前页
文章关键词:
分享到:
官方微信
关注·政务微信
新浪微博
手机网站
扫描访问手机网
关闭